Connectable data cable protection, 2x2-pole, direct earthing, with visual signalling, 12 V

Št. art. 5080359 | EAN 4012196742257

4
2x2-pole
Sponka
Opis izdelka
Opis izdelka
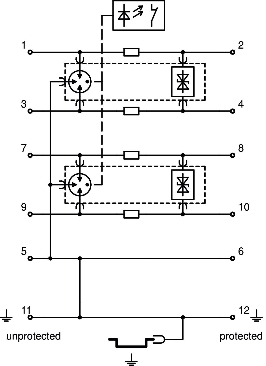
Plug-in data cable protection type 1+2/D1=C2 for the use in measurement, control and regulation technology

• Protective device for multi-wire systems
• Direct shield earthing
• Frequency range to 100 MHz
• Earthing possible via the DIN rail or the connection cable
• Narrow structural width of 17.5 mm
• Hight level of system availability – no signal disruption without protection module
• With visual signalling and the option for remote signalling via the voltage supply PDP-PS
• Integrated bus connector included

Application: Universal lightning and surge protection for data transmission devices in MCR technology.
  • 5-year warranty
  • Communautés Européennes, EC declaration of conformity according to EC directives
  • Measuring, controlling and regulating systems
  • Transition from LPZ 0 to LPZ 2
  • Installation electrotechnical expertise
  • CO₂ footprint (PCF)
Tehnični podatki

Tehnični podatki

Dimenzija 12V
Dolžina 75 mm
Impulzni tok 2,5 kA
Izvedba 2x2-pole
Kapaciteta (žila-ozemljitev) ≤30 pF
Kapaciteta (žila-žila) ≤30 pF
Kategorie Tip 1+2/D1+C2
LPZ 0→2
Maks. priključni presek, fleksibilni 1,5 mm²
Maks. priključni presek, togi 2,5 mm²
Maks. priključni presek, večžični 2,5 mm²
Maks. temperaturno območje uporabe 80 °C
Mejna frekvenca 100 MHz
Min. priključni presek, fleksibilni 0,14 mm²
Min. priključni presek, togi 0,14 mm²
Min. priključni presek, večžilni 0,14 mm²
Min. temperaturno območje uporabe -40 °C
Montaža vhod/izhod Vijačne sponke
Najvišja trajna napetost AC 12 V
Najvišja trajna napetost DC 16 V
Natični sistem Sponka
Nazivni bremenski tok AC 0,425 A
Nazivni bremenski tok DC 0,6 A
Nazivni odvodni udarni tok (8/20 µs) 10 kA
Nazivni odvodni udarni tok In po C2 (skupno) 20 kA
Odpornost proti udarnemu toku žila-ozemljitev 10 kV / 5 kA
Odpornost proti udarnemu toku žila-žila 10 kV / 5 kA
Odtis CO2 (GWP) od zibelke do vrat 0,7765 kg CO2e / 1 Kos
Ozemljitev prek: Priključni kabel/U-profil
Priključek za oklop da
Raven zaščite žila-ozemljitev 850 V
Raven zaščite žila-žila 130 V
Serijska upornost 1.2 ± 5%
Serijska upornost na žilo 1,2 Ω ± 5%
Signalizacija na aparatu nima
Širina 17,5 mm
Skladno z normo IEC 61643-21
Skupni odvodni udarni tok (10/350) 5 kA
Skupni odvodni udarni tok (8/20) 20 kA
SPD po EN 61643-11 Tip 1+2
SPD po IEC 61643-1 class I+II
SPD po IEC 61643-21 Class I+II/D1+C2
Število polov 4
Višina 95 mm
Vrsta zaščite IP20
Vstavitveno slabljenje (Insertion loss) ≤3 dB
Zaščita neposredno
Vsi tipi

Vsi tipi

Tip Število polov Izvedba Najvišja trajna napetost AC Najvišja trajna napetost DC Natični sistem Št. art. Količina Min. prodajna enota
PDP-2x2-5-D-OS 4 2x2-pole 4,2 V 6 V Sponka 5080357
1 Kos
PDP-2x2-12-D-OS 4 2x2-pole 12 V 16 V Sponka 5080359
1 Kos
PDP-2x2-24-D-OS 4 2x2-pole 21 V 30 V Sponka 5080361
1 Kos
PDP-2x2-48-D-OS 4 2x2-pole 37 V 52 V Sponka 5080364
1 Kos
Prenosi

Prenesi

Prenesi
Prenesi

Prenesi

Prenesi
Prenesi

PDP-2x2-12-D-OS / 5080359
Prenesi