Kabelska lestev LG 110, 3 m VS FS

Št. art. 6216413 | EAN 4012195064534

3000 mm
1,5 mm
ne
Jeklo
neprekinjeno cinkano v ognju
Opis izdelka
Opis izdelka
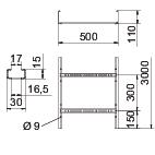
Kabelska lestev s perforiranim stranskim prečnikom z višino stranice 110 mm in zakovičenimi, navzgor odprtimi prečkami iz C-profila.
Zaščita pred elektromagnetnim sevanjem brez pokrova 10 dB, s pokrovom 15 dB.

Kabelske lestve se dostavijo v zloženi izvedbi.

Ustrezno vezno objemko tipa BS-H... najdete v sistemih odcepnih vertikalnih lestev.

  • Magnetic shield insulation
  • Communautés Européennes, EC declaration of conformity according to EC directives
  • UKCA declaration of conformity
  • Cable ladder, side height 110 mm
  • Environmental Product Declaration (EPD)
  • CO₂ footprint (PCF)
Tehnični podatki

Tehnični podatki

Barva cink
Debelina prečnika 1,5 mm
Dimenzija 110x500x3000
Dimenzije 110x500x3000
Dolžina 3000 mm
Izvedba prečk Profil, perforiran
Izvedba stranskega prečnika ploščati profil
Izvedba za daljše razpone ne
Korisni presjek 47500 mm²
Korisni presjek 475 cm²
Material Jeklo
Mera B 500 mm
Nerjavno jeklo, luženo ne
Odtis CO2 (GWP) od zibelke do vrat 10,7471 kg CO2e / 1 Meter
Ohranitev delovanja naprav ne
Površina neprekinjeno cinkano v ognju
Pritrditev prečke kovičeno s slepo zakovico
Razdalja prečk 300 mm
Razmik nosilcev 2,0 m 3,1 kN/m
Razmik nosilcev 2,5 m 2 kN/m
Razmik nosilcev 3,0 m 1,4 kN/m
Razmik nosilcev 3,5 m 0,9 kN/m
Razmik nosilcev 4,0 m 0,65 kN/m
Razmik nosilcev 4,5 m 0,55 kN/m
Razmik nosilcev 5,0 m 0,5 kN/m
Razmik nosilcev 6,0 m 0,15 kN/m
Širina 500 mm
Stranska perforacija da
Velikost reže prečke 16,50
Višina 110 mm

Tehnični podatki

Load diagram, cable ladder, type LG 110 VS

Load diagram, cable ladder, type LG 110 VS
  • Permitted cable tray/ladder load in kN/m without man load Permitted cable tray/ladder load in kN/m without man load
  • Support width in m Support width in m
  • Rail bend in mm at permitted kN/m Rail bend in mm at permitted kN/m
  • Load scheme during testing Load scheme during testing
  • Load curve with cable tray/ladder width in mm Load curve with cable tray/ladder width in mm
  • Strut bend curve according to support width Strut bend curve according to support width
Vsi tipi

Vsi tipi

Tip Dolžina Širina Debelina prečnika Ohranitev delovanja naprav Material Površina Št. art. Količina Min. prodajna enota
LG 112 VS 3 FS 3000 mm 200 mm 1,5 mm ne Jeklo neprekinjeno cinkano v ognju 6216404
3 m
LG 113 VS 3 FS 3000 mm 300 mm 1,5 mm ne Jeklo neprekinjeno cinkano v ognju 6216407
3 m
LG 114 VS 3 FS 3000 mm 400 mm 1,5 mm ne Jeklo neprekinjeno cinkano v ognju 6216410
3 m
LG 115 VS 3 FS 3000 mm 500 mm 1,5 mm ne Jeklo neprekinjeno cinkano v ognju 6216413
3 m
LG 116 VS 3 FS 3000 mm 600 mm 1,5 mm ne Jeklo neprekinjeno cinkano v ognju 6216416
3 m
Pribor

Sistemski dodatki

Proizvodi Tip Št. art. Količina Min. prodajna enota
Pokrov z vrtljivim zapahom FS Pokrov z vrtljivim zapahom FS DRL 500 FS 6052509
3 m
Vzdolžna spojka FS Vzdolžna spojka FS LVG 110 FS 6216545
10 Kos
Kotne spojke Kotne spojke LWVG 110 FS 6216587
10 Kos
Zglobna spojka FS Zglobna spojka FS LGVG 110 FS 6216650
10 Kos
90-stopinjski lok 110 FS 90-stopinjski lok 110 FS LB 90 1150 R3 FS 6225128
1 Kos
Element zglobnega kolena 110 FS Element zglobnega kolena 110 FS LGBE 1150 FS 6225496
1 Kos
Zaščitni pokrov Zaščitni pokrov SKH 110 OR 6222553
20 Par
Pregrada 85 FS Pregrada 85 FS TSG 85 FS 6062114
3 m
Prenosi

Prenesi

Prenesi
Okoljska deklaracija proizvoda (EPD) LG 115 VS 3 FS / 6216413 , 1.48MB , pdf
Prenesi

Prenesi
Prenesi

LG 115 VS 3 FS / 6216413
Prenesi